Returmissen alltför många gör: ”Kompressorn klarar inte av att höja framledningen”
Retur är inte alls alltid retur, betonar Jesper Ekström på Nibe. Han ser alltför ofta felkopplingar när flera värmepumpar installeras och returledningen ska dras.
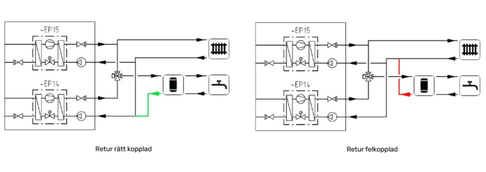
Tänk på att montera returen från exempelvis varmvattenladdningen på rätt sätt, uppmanar Jesper Ekström på Linkedin. Han är teknisk säljare på Nibe och han ser att det blir fel alltför ofta med ett kämpande värmesystem som följd.
mer med jesper e
Hur får jag renare värmevatten i värmepumpsanläggningen?
Läs också:
Är 15 meter mellan inne- och utedel för långt?
Varför kopplas returledningen fel så ofta?
Det kan vara enklare att ansluta fel när det är trångt, alltså på den gemensamma returen från värmesystemet.
Vad är rätt?
Ansluta tillbaka returen på det rör som laddar varmvatten.
Vad händer när det blir fel?
När returen från varmvattenladdningen träffar det svalare vattnet från värmesystemet klarar inte kompressorn av att höja framledningen till varmvattenladdningen vilket gör att ”varmvattenstopp” inte uppnås och kompressorn kommer försöka jobba upp temperaturen under lång tid.
– När det är trångt i undercentralen och man har kopplat flera värmepumpar och ska dra returledningen, då kan det vara enklare att ansluta fel, alltså på den gemensamma returen från värmesystemet, säger Jesper Ekström.
Han erfar att många resonerar ”retur som retur – det spelar väl ingen roll”.
– Så tänker i princip alla, det är ett jättevanligt fel faktiskt, men retur är inte alls alltid retur, understryker han.
Rätt sätt att koppla är att ansluta tillbaka returen på det rör som laddar varmvatten.

”Om man installerar exempelvis F1345 där en av två kompressorer ska ha möjlighet att både göra varmvatten och värme krävs det att returen från varmvattenladdningen ska tillbaka till samma kompressormodul som växelventilen/varmvattenladdningen hör till, inte till den gemensamma systemreturen”, skriver Jesper Ekström på Linkedin.
”Ta inga genvägar i undercentralen och slarva bara för att det är enklare att koppla.”
jesper ekström
Det som händer när man gör fel, förklarar han, är att värmepumpen kommer att kämpa för att höja returen. Problemen när det är felkopplat uppstår ofta under höst och vår, eller om man har ett system med låga framledningstemperaturer, typ golvvärme. Då är framledningen till värmesystemet låg medan varmvattenladdningen kräver en hög temperatur.
– När returen från varmvattenladdningen träffar det svalare vattnet från värmesystemet klarar inte kompressorn av att höja framledningen till varmvattenladdningen vilket gör att ”varmvattenstopp” inte uppnås och kompressorn kommer försöka jobba upp temperaturen under lång tid. säger Jesper Ekström.
Värmesystemet behöver utföra ett slags Sisyfosarbete.
– Värmepumpen försöker hela tiden höja temperaturen för att klara varmvattenladdningen, men eftersom felkopplingen gör att kallare vatten blandas in på fel ställe, får kompressorn svårt att nå den temperatur som krävs.
Läs också:
Är det värt att satsa på en pancake till värmepumpen?
Kompressorn fortsätter kämpa och försöker nå målet, men lyckas inte – vilket leder till lång gångtid och onödigt slitage.
– Ta inga genvägar i undercentralen och slarva bara för att det är enklare att koppla, uppmanar Jesper Ekström.
Nyhetsbrev
Prenumerera på vårt nyhetsbrev och få nyheter, tips och bevakningar rakt ner i inkorgen